Tokamak GOLEM - Shot Database - #49022

Plasma:

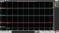
Plasma parameters:
On stage diagnostics
Basic diagnostics Data flow:

Documentation:
Double rake probe Data flow:
Documentation:

Parameters:r_first_tip=100,X_mod='111111111111',I_SilverBox=0
Langmuir & Ball-pen probe Data flow:
Documentation:

Parameters:r_lp_tip=90,S_mode_lp='float',R_lp_div_osc='10e3',R_lp_div_nosc='1e6',U_lp=-1,R_lp_isat='-1',R_bpp_d
Off stage diagnostics
Interferometry Data flow:

Documentation:
Fast cameras Data flow:

Documentation:

Parameters:fr_ux100a=1200,height_ux100a=56,recrate_ux100a=40000,shotdur_ux100a=40,width_ux100a=1280,fr_ux100b=1
Slow optical spectrometry Data flow:
Documentation:
Scintillation probes Data flow:

Documentation:

Parameters:U_NIM_A1=600,U_NIM_A2=600,U_NIM_A3=600,U_NIM_A4=600
Timepix detector Data flow:
Documentation:
Mirnov coils @ Limiter Data flow:
Documentation:
Fast spectrometry Data flow:
Documentation:
Magnetohydrodynamic 16 mirnov coils ring Data flow:
Documentation:
Analysis
Infrastructure
Chamber
Bt and Ecd
,
Parameters

:U_Bt=800,t_Bt=0,U_cd=400,t_cd=500,O_Bt='CW',O_cd='CW'
Working gas
Parameters

:S_mode='p_wg',S_gas='H',p_H=10,U_v=22
Preionization
Parameters
:S_device='HotCathode',SW_main='on',U_heater=90,U_accel=100
Position stabilization
:
Parameters
:main_switch='on',radial_switch='on',radial_waveform='1000,0;5000,-1;5500,-1;6000,-2;6500,-2;7000,-3;7500,-3;8000,-4;8500,-4;9000,-5;9500,-5;10000,-6;10500,-6;11000,-7;11500,-7;12000,-8;13000,-9;14000,-10;15000,-11;16000,-12;17000,-13;18000,-14;19000,-15;20000,-16;21000,-17;22000,-18;23000,-19;24000,-20;50000,0',vertical_switch='on',vertical_waveform='1000,0;5000,-1;6000,-1;7000,-1;8000,-1;9000,-5;10000,-5;11000,-5;12000,-5;13000,-12;14000,-12;15000,-12;17000,-12;19000,-20;50000,0'
Current stabilization
Parameters
:main_switch='on',waveform='1000,0;4000,0;5000,0;8000,0;15000,0;17000,0;17500,1;18000,1;18500,2;19000,2;19500,3;20000,3;20500,4;21000,4;21500,5;22000,5;22500,6;23000,6;23500,7;24000,7;24500,8;25000,8;25500,9;26000,9,26500,10;27000,10;27500,11;28000,11;29500,12;30000,12;30500,13;31000,13;31500,14;32000,14;32500,15;33000,15;33500,16;34000,16;34500,15;35000,15;35500,14;36000,14;36500,13;37000,13;37500,12;38000,12;38500,11;39000,11;39500,10;40000,10;40500,9;41000,9;50000,0'
 |
 |
 |
Biasing electrode 
Parameters
:main_switch='off',waveform='1000,0;3000,-20;15000,0;30000,0',position=100
Acknowledgement
Thanks to the specific help
The tokamak GOLEM controll SW @ 