Recent changes
Recent changes by Golem Dirigent
- 2025-10-03 17:37:48 UTC ( ): leakage (Tokamak/VacuumVessel/VesselCondition/TheStory/Leakage-2025/PhotoGallery/1000034443.jpg wiki/TrainingCourses/Universities/CTU.cz/PRPL/2023-2024/JakChlum/initial_presentation.pdfinitial_presentation.pdf)
- 2025-10-03 17:16:09 UTC ( ): PRPLA projects (Production/Wanted/Miscellaneous/Ficker-2025-PRPLA Production/Wanted/Miscellaneous/Ficker-2025-PRPLA.pdf)
- 2025-10-03 17:14:43 UTC ( ): PRPLA projects (Production/Wanted/Miscellaneous/Ficker-2025-PRPLA Production/Wanted/Miscellaneous/Ficker-2025-PRPLA.docx)
- 2025-10-03 16:39:03 UTC ( ): PRPL base (Experiments/SpectroscopicStudies/TransportBarrierHe/EMTRAIC-2024-Spectroscopy.pdf Experiments/TransportBarrierInHe/reports/EMTRAIC-2024-Spectroscopy.pdf Experiments/TransportBarrierInHe/reports/Macha_2023_Nucl._Fusion_63_104003.pdf Staff/HighSchoolStudents/Oktabcova-2025-Breakdown/anotace práce.docx TrainingCourses/Universities/CTU.cz/PRPL/2025-2026/TUCEKJO1_STANESAM/index)
- 2025-09-30 12:39:03 UTC ( ): bibtech - stabilization cont . (root/bibtex/golem.bib)
- 2025-09-30 12:38:21 UTC ( ): bibtech - stabilization (Presentations/Students/MasterThesis/15KocmanJindrich.pdf Presentations/Students/MasterThesis/Kocman-2015-MastThes_PositionStabilization.pdf TrainingCourses/Universities/CTU.cz/PRPL/2025-2026/BREZITO5/index TrainingCourses/Universities/CTU.cz/PRPL/2025-2026/NOSEKKRY/index root/bibtex/extracts/GolemTopics/REs/0123GACRproposal/docum.pdf root/bibtex/extracts/GolemTopics/experiments/REs/0123GACRproposal/docum.pdf root/bibtex/extracts/GolemTopics/REs/0123GACRproposal/docum.tex root/bibtex/extracts/GolemTopics/experiments/REs/0123GACRproposal/docum.tex root/bibtex/extracts/GolemTopics/REs/0123GACRproposal/makefile root/bibtex/extracts/GolemTopics/experiments/REs/0123GACRproposal/makefile root/bibtex/extracts/GolemTopics/REs/CASTOR-GOLEM-inventory/docum-.tex root/bibtex/extracts/GolemTopics/experiments/REs/CASTOR-GOLEM-inventory/docum-.tex root/bibtex/extracts/GolemTopics/REs/CASTOR-GOLEM-inventory/docum-blx.bib root/bibtex/extracts/GolemTopics/experiments/REs/CASTOR-GOLEM-inventory/docum-blx.bib root/bibtex/extracts/GolemTopics/REs/CASTOR-GOLEM-inventory/docum.pdf root/bibtex/extracts/GolemTopics/experiments/REs/CASTOR-GOLEM-inventory/docum.pdf root/bibtex/extracts/GolemTopics/REs/CASTOR-GOLEM-inventory/docum.run.xml root/bibtex/extracts/GolemTopics/experiments/REs/CASTOR-GOLEM-inventory/docum.run.xml root/bibtex/extracts/GolemTopics/REs/CASTOR-GOLEM-inventory/docum.tex root/bibtex/extracts/GolemTopics/experiments/REs/CASTOR-GOLEM-inventory/docum.tex root/bibtex/extracts/GolemTopics/REs/CASTOR-GOLEM-inventory/docum.txt root/bibtex/extracts/GolemTopics/experiments/REs/CASTOR-GOLEM-inventory/docum.txt root/bibtex/extracts/GolemTopics/REs/CASTOR-GOLEM-inventory/makefile root/bibtex/extracts/GolemTopics/experiments/REs/CASTOR-GOLEM-inventory/makefile root/bibtex/extracts/GolemTopics/infrastructure/stabilization/Oktabcova-2025-HighSchool/docum-blx.bib root/bibtex/extracts/GolemTopics/infrastructure/stabilization/Oktabcova-2025-HighSchool/docum.pdf root/bibtex/extracts/GolemTopics/infrastructure/stabilization/Oktabcova-2025-HighSchool/docum.tex root/bibtex/extracts/GolemTopics/infrastructure/stabilization/Oktabcova-2025-HighSchool/library/Kocman-2015-MastThes_PositionStabilization.pdf root/bibtex/extracts/GolemTopics/infrastructure/stabilization/Oktabcova-2025-HighSchool/library/Svoboda-2015-FUSEGDES_RemoteOperation.pdf root/bibtex/extracts/GolemTopics/infrastructure/stabilization/Oktabcova-2025-HighSchool/makefile)
- 2025-09-25 12:25:30 UTC ( ): PRPL entree (TrainingCourses/Universities/CTU.cz/FYS1/Ficker-2024-Bayesian/abstrakt.txt TrainingCourses/Universities/CTU.cz/FYS1/2024-BayesianOptimization/abstrakt.txt TrainingCourses/Universities/CTU.cz/FYS1/Ficker-2024-Bayesian/fys1.sbornik1.pdf TrainingCourses/Universities/CTU.cz/FYS1/2024-BayesianOptimization/fys1.sbornik1.pdf TrainingCourses/Universities/CTU.cz/FYS1/2025-Atompunk/abstrakt TrainingCourses/Universities/CTU.cz/FYS1/2025-BayesianOptimization/abstrakt TrainingCourses/Universities/CTU.cz/PRPL/2024-2025/NewEdition.sh TrainingCourses/Universities/CTU.cz/PRPL/2025-2026/BREZITO5/index TrainingCourses/Universities/CTU.cz/PRPL/2025-2026/DLOUHJA8/index TrainingCourses/Universities/CTU.cz/PRPL/2025-2026/NOSEKKRY/index TrainingCourses/Universities/CTU.cz/PRPL/2025-2026/NewEdition.sh TrainingCourses/Universities/CTU.cz/PRPL/2025-2026/PLECHTO3/index)
- 2025-09-23 10:25:59 UTC ( ): Diamagnetika (Diagnostics/Magnetic/Diamagnetism/Library/0c5f38b9-0585-4f2e-9e89-f5443ef585f7.pdf Diagnostics/Magnetic/Diamagnetism/Library/thesis.pdf Experiments/RunAwayElectronStudies/Diagnostics/Reports/SUMTRAIC 2025 - Varun Kumar - RE at GOLEM.pptx Experiments/RunAwayElectronStudies/Reports/0220_JC4CAAS.pdf Experiments/RunAwayElectronStudies/Reports/0920_JC4CAAS.pdf Experiments/RunAwayElectronStudies/Reports/Form_ZZ.pdf Experiments/RunAwayElectronStudies/Reports/Zaradit/Form_ZZ.pdf)
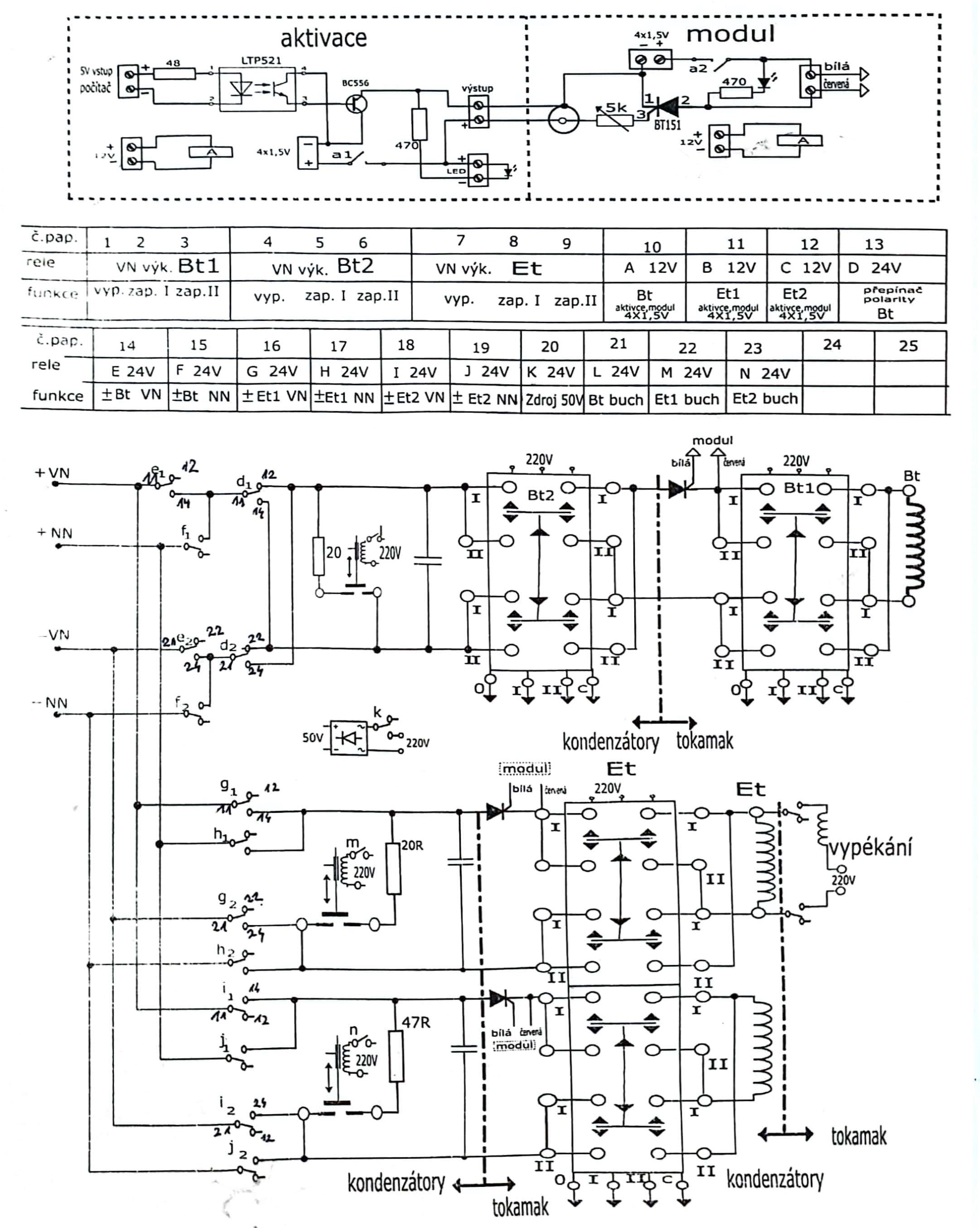
- 2025-09-22 15:21:37 UTC ( ): Zonal flows a Buryanec PRPL (Chronicle/Overviews/Dirigent-2025-WWWSmeryVyzkumu/index Diagnostics/Radiation/Spectrometry/FastSpectrometer/Sandbox/Screenshot from 2025-09-08 13-13-16.png Diagnostics/Radiation/Spectrometry/FastSpectrometer/Sandbox/Screenshot from 2025-09-08 13-50-59.png Diagnostics/Radiation/Spectrometry/FastSpectrometer/Sandbox/Screenshot from 2025-09-08 13-55-45.png Diagnostics/Radiation/Spectrometry/FastSpectrometer/Sandbox/Spectrometer.svg Diagnostics/Radiation/Spectrometry/FastSpectrometer/Sandbox/Spectroscopy (1).pdf Education/Introduction/21_topics Experiments/EdgePlasmaPhysics/ZonalFlows/reports/2009_Brotankova_sheared_flows.pdf Experiments/EdgePlasmaPhysics/ShearedFlows/CASTOR/2009_Brotankova_sheared_flows.pdf Experiments/EdgePlasmaPhysics/ZonalFlows/reports/BrotankovaJ_Probe-based_06.pdf Experiments/EdgePlasmaPhysics/TransportCoefficients/library/CASTOR/BrotankovaJ_Probe-based_06.pdf Experiments/EdgePlasmaPhysics/ZonalFlows/reports/Remote Plasma Physics Research and Teaching by Example of Turbulence Study at the University Scale Tokamak GOLEM.pdf Experiments/EdgePlasmaPhysics/TurbulenceStudies/reports/Remote Plasma Physics Research and Teaching by Example of Turbulence Study at the University Scale Tokamak GOLEM.pdf Experiments/EdgePlasmaPhysics/ZonalFlows/reports/Vergote_2006_Plasma_Phys._Control._Fusion_48_S75.pdf Experiments/IsotopicStudies/Reports/Sarancha-2021-VANT/20MEPhI_Moscow.pdf Experiments/MagnetoHydroDynamicStudies/Reports/ToBeCategorized/Magnetic_turbulence_and_long-range_correlation_stu.pdf HW/Vacuum/Valves/PfeifferHVgate160/Dimensions.pdf HW/Vacuum/Valves/PfeifferHVgate160/Maly-kriz.png HW/Vacuum/Valves/PfeifferHVgate160/Otvor.png HW/Vacuum/Valves/PfeifferHVgate160/Priruba-260.png HW/Vacuum/Valves/PfeifferHVgate160/adapter_excentric_DN160_to_cross260_v1.dxf HW/Vacuum/Gates/10365.0.VAT Series 010 Mini UHV Gate Valve.pdf HW/Vacuum/Valves/UHVgatevalveII/10365.0.VAT Series 010 Mini UHV Gate Valve.pdf Staff/UndergradStudents/JanBuryanec/MT/kick-off.doc Tokamak/VacuumVessel/CAD/Dimensions/TP_angle_measurement.info TrainingCourses/Universities/CTU.cz/PRPL/2024-2025/JanBur/Gabostroj_schema_zapojeni.xlsx TrainingCourses/Universities/CTU.cz/PRPL/2024-2025/JanBur/PRPL_GABO_schema.jpg TrainingCourses/Universities/CTU.cz/PRPL/2024-2025/JanBur/PRPL_prezentace_Buryanec_pdf_version.pdf TrainingCourses/Universities/CTU.cz/PRPL/2024-2025/JanBur/PRPL_report.html TrainingCourses/Universities/CTU.cz/PRPL/2024-2025/JanBur/Rekuperace_kondenzatoru.xlsx TrainingCourses/Universities/CTU.cz/PRPL/2024-2025/JanBur/Rekuperace_kondezatoru_Gabostroj.png TrainingCourses/Universities/CTU.cz/PRPL/2024-2025/JanBur/sepnuti_rele_pomoci_baterie.mp4 TrainingCourses/Universities/CTU.cz/PRPL/2024-2025/JanBur/sepnuti_rele_pomoci_zdroje.mp4 TrainingCourses/Universities/UNN_Nsukka.ng/25/Nigerian School Calender .docx TrainingCourses/WorkShops/INSC.pk/17/.comments/psaa6458f1_lr.jpg.xml)